Web Guide

DATE
February 17 (Tue) - 20 (Fri), 2026
VENUE
Tokyo Big Sight

Electrical Thermostats AR , AK

  • Heating & Thermal Cooking Equipment
  • Kitchen Systems (temperature control, freshness monitoring, etc.)
  • Pizza Ovens, Pizza Forming Machines
  • Food Service Equipment Others
  • Target Sector

    Commercial cooking equipment industry

    Gas appliance components sector

    Global gas parts supply chain

    Liquid coolant systems industry

    Professional kitchen equipment manufacturing

  • Specialities,Sales point

    AR Millivolt Thermostat
    Features
    ● Excellent performance for application on fryer with AB007-MV heating Control.
    ● Millivolt control produces reliable low current/low voltage performance.
    ● Sealed reed switch and contact design for superior durability and accuracy in the harshest environments.
    ● Robust design leads to increased reliability and durability.
    ● Precise and proven snap-action mechanism.


    AK Thermostat
    Features
    ● Applicable to electrical heating equipment, withstanding high current design.
    ● Precise and proven snap-action mechanism.
    ● Silver contacts with heavy-duty terminals for durability and sustained accuracy.

    - Export Available -

  • Countries of Trade

    JAPAN : Both direct and indirect transactions are acceptable

    Others : Both direct and indirect transactions are acceptable

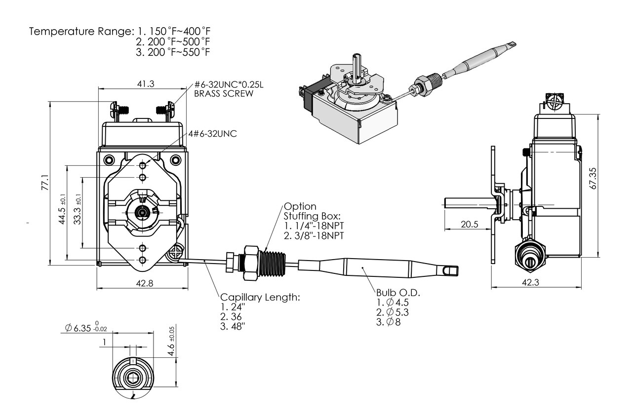
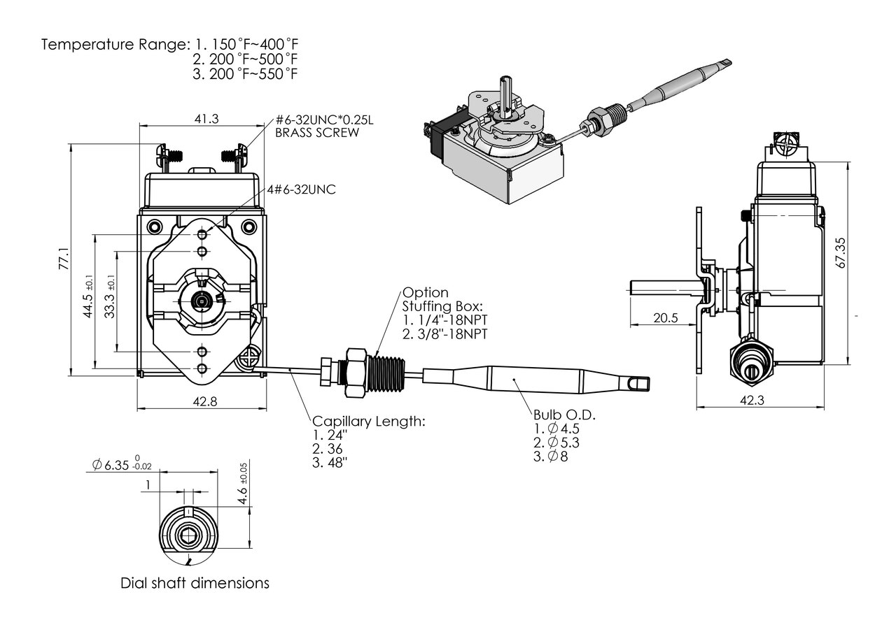
Size / capacity AK Thermostat Specifications
● Electrical rating : 25A,250V AC
● Bulb O.D : Ø4.5, Ø5.3, Ø8 mm
● Capillary length : 24", 36", 48"
● Stuffing box : None, 1/4"-18NPT, 3/8"-18NPT
● Temperature range : 60°C~200°C / 100°C~250°C / 80°C~300°C; 150°F~400°F / 200°F~500°F / 200°F~550°F
● Stem Flat OFF position : 6:00
● Ambient temperature : -20°C~110°C (-4ºF to 230ºF)
Catalog PDF file

Alpha Brass Controls

https://www.alphabrass.com/
  • Overseas exhibitors
  • Exportable
  • HCJ 2026
  • Food Service Equipment
  • Booth number E4-T01
Exhibited products AJ02 - Safety Valve with Pilot,
APV01 - Proportional Gas Valve,
A64T - Combination Gas Thermostat,
AS02 - Single Gas Solenoid Valve,
ET series